Diagrama IPL Cortasetos de altura Husqvarna 525HE4 | Probosque
Ayuda

Ayuda

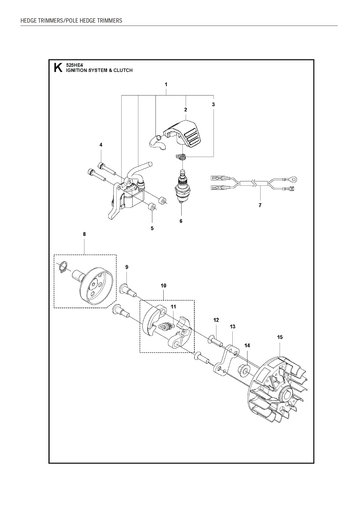
Diagrama IPL Cortasetos de altura Husqvarna 525HE4

Buscador interno
Archivo PDF
El archivo pdf esta disponible

Secciones

Elige la sección de la cual quieres ver las partes.


Refacciones

Estas son algunas refacciones de este diagrama...

Ver todas las refacciones de este diagrama
Por el momento el diagrama no tiene refacciones asignadas, favor de consultarlo más adelante.Array
Ver todas las refacciones de este diagrama